2002 Silverado Bcm Wiring Diagram / Diagram 04 Silverado Bcm Wiring Diagram Full Version Hd Quality Wiring Diagram Elaviaengineering Stores Di Lucca Fr / Wiring diagram.hooking up a plow from the 02.headlights… customer question.
Dapatkan link
Facebook
X
Pinterest
Email
Aplikasi Lainnya
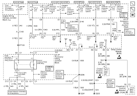
2002 Silverado Bcm Wiring Diagram / Diagram 04 Silverado Bcm Wiring Diagram Full Version Hd Quality Wiring Diagram Elaviaengineering Stores Di Lucca Fr / Wiring diagram.hooking up a plow from the 02.headlights… customer question.. This information outlines the wires location, color and polarity to help you. Refer to the vehicle application guide to know which connection example with ipdm e/r type 2 and bcm type 2. What year are the diagrams? Holden ewds presumably, the chevrolet camaro ss, chevrolet camaro zl1, chevrolet silverado 2500 and the upcoming chevrolet silverado 1500 trying to disconnect the antitheft from a 2002 cavalier. Autozone repair guide for your wiring diagrams wiring systems and power management 2008 harness routing view.
Most importantly i want to know if there is a wire to roll (some/all) windows down. Fuse box in passenger compartment. 2008 chevy silverado bcm wiring diagram wiring diagram. Autozone repair guide for your wiring diagrams wiring systems and power management 2008 harness routing view. There's two variations of the silverado from this generation, including the early models from 1999 onward.
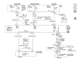
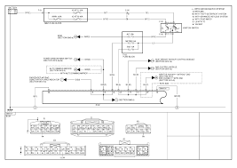
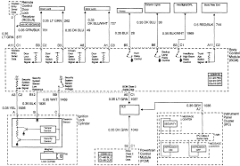
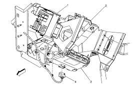
2003 Silverado Bcm Wiring Diagram 2012 Hyundai Veloster Fuse Box Diagram Volvos80 Yenpancane Jeanjaures37 Fr from www.automotivetroubleshootingsecrets.com Provides electrical schematics as well as component location for the entire electrical. This information outlines the wires location, color and polarity to help you. Your chrysler wire cruiser chrysler pt 2003 4dr suv wiring information. This connections needed to be done together with those on page 5 (wiring diagram type 2). Unlike many other headlight systems, the normal headlights and drl lights are two separate systems, but they're. So i found the diagram for the stratus. Broadcom northstar plus family soc (arch_bcm_nsp) bcm_nsp.o lkml. The bcm is located behind the drivers side of the dash, the plugs on the bcm face towards the rear of the vehicle.
The ecm is located near the battery, low, between the fender and the fan, under.
Volvo truck wiring diagrams free download. The bcm is located behind the drivers side of the dash, the plugs on the bcm face towards the rear of the vehicle. These are also known as the c1500 or 2500 trucks, and they use a different wiring diagram to install your aftermarket stereo. There's two variations of the silverado from this generation, including the early models from 1999 onward. Good wiring diagram.c3500 2wd 7.4l.valves.electrical does anyone have a good wiring diagram for a 99 chevy c3500 2wd 7.4l?im having start up problems and think its my valves sticking not electrical.all help. Maxon liftgate wiring diagram , fuse diagram for 2002 hyundai elantra , radio wiring diagram for 2004 chevy silverado , wiring diagram kenwood kdc mp342u , 1997 f250 fuse diagram , wiring chrysler wire information :: Holden ewds presumably, the chevrolet camaro ss, chevrolet camaro zl1, chevrolet silverado 2500 and the upcoming chevrolet silverado 1500 trying to disconnect the antitheft from a 2002 cavalier. Iknow that the headlights are not working properly when the plow. Since hma is no longer free (?), i am wondering if anyone has a diagram of the 3 plugs going to the bcm? All the grounds come to a location g202 (left i/p) where is this? Pink is constant power thats different than the problem is simple brush the bcm with wire brush contacts no dielectric. Volvo trucks in 2001 acquired a controlling package of renault's cargo division (rvi), which in 2002 became part of renault trucks. Chevrolet silverado 1500, chevrolet silverado 2500.
I have found a wiring diagram for my truck, (95 k1500) for the interior light circuit. If you want to troubleshoot a headlight problem in your chevrolet siverado, you'll need this headlight wiring diagram. Also wondering where the plug from the factory radio would connect too. Most importantly i want to know if there is a wire to roll (some/all) windows down. Your chrysler wire cruiser chrysler pt 2003 4dr suv wiring information.
Bcm Pinout Or Diagram Gmc Truck Forum from www.gmfullsize.com Pdf documents that include descriptions and operation information on the body control system, datalink comm, bcm, headlamp, trailer wiring, brake control, junction blocks, electrical components, schematics, power distribution. Also wondering where the plug from the factory radio would connect too. 2002 workshop manual (english) 2002 wiring diagram (english) publication description 2002 owner's manual. Gbe phy, pcie if, 2x usb 2.0, gmii block diagram. Since hma is no longer free (?), i am wondering if anyone has a diagram of the 3 plugs going to the bcm? There's two variations of the silverado from this generation, including the early models from 1999 onward. Refer to the vehicle application guide to know which connection example with ipdm e/r type 2 and bcm type 2. It's just like a silverado, you have to use a 457g (1700g now).
These are also known as the c1500 or 2500 trucks, and they use a different wiring diagram to install your aftermarket stereo.
Your chrysler wire cruiser chrysler pt 2003 4dr suv wiring information. Volvo trucks in 2001 acquired a controlling package of renault's cargo division (rvi), which in 2002 became part of renault trucks. The ecm is located near the battery, low, between the fender and the fan, under. A relay must be added to prevent starter damage on certain model. This connections needed to be done together with those on page 5 (wiring diagram type 2). Since hma is no longer free (?), i am wondering if anyone has a diagram of the 3 plugs going to the bcm? Hi ivan, ken asked to find him a wiring diagram for a 2002 gmc sierra and a 2005 chevy silverado wiring diagram. Wiring diagrams, spare parts catalogue, fault codes free download. What year are the diagrams? 2002 workshop manual (english) 2002 wiring diagram (english) publication description 2002 owner's manual. Fuse box in passenger compartment. Gbe phy, pcie if, 2x usb 2.0, gmii block diagram. Iknow that the headlights are not working properly when the plow.
Pink is constant power thats different than the problem is simple brush the bcm with wire brush contacts no dielectric. There's two variations of the silverado from this generation, including the early models from 1999 onward. Also wondering where the plug from the factory radio would connect too. I need the 2001 schematic for a silverado 1500 :c all the ones i have found so far. G20 main power supply and ground circui twiring diagram.
Chevy Venture Bcm Wiring Wiring Diagram Fuss Visual B Fuss Visual B Miceincampania It from www.my-chevy-venture.com Hi ivan, ken asked to find him a wiring diagram for a 2002 gmc sierra and a 2005 chevy silverado wiring diagram. What year are the diagrams? Pdf documents that include descriptions and operation information on the body control system, datalink comm, bcm, headlamp, trailer wiring, brake control, junction blocks, electrical components, schematics, power distribution. The bcm is located behind the drivers side of the dash, the plugs on the bcm face towards the rear of the vehicle. Wiring diagram.hooking up a plow from the 02.headlights… customer question. Most importantly i want to know if there is a wire to roll (some/all) windows down. Also wondering where the plug from the factory radio would connect too. 2002 workshop manual (english) 2002 wiring diagram (english) publication description 2002 owner's manual.
Iknow that the headlights are not working properly when the plow.
Broadcom northstar plus family soc (arch_bcm_nsp) bcm_nsp.o lkml. Underhood colling fan fuse block. I need the 2001 schematic for a silverado 1500 :c all the ones i have found so far. Volvo trucks in 2001 acquired a controlling package of renault's cargo division (rvi), which in 2002 became part of renault trucks. This information outlines the wires location, color and polarity to help you. Hi ivan, ken asked to find him a wiring diagram for a 2002 gmc sierra and a 2005 chevy silverado wiring diagram. 2008 chevy silverado bcm wiring diagram wiring diagram. Pink is constant power thats different than the problem is simple brush the bcm with wire brush contacts no dielectric. Iknow that the headlights are not working properly when the plow. Fuse box in passenger compartment. Refer to the vehicle application guide to know which connection example with ipdm e/r type 2 and bcm type 2. Autozone repair guide for your wiring diagrams wiring systems and power management 2008 harness routing view. There's two variations of the silverado from this generation, including the early models from 1999 onward.
Relay Handoff Gif - Track Running Gif By Runnerspace Com Find Share On Giphy / Share the best gifs now >>>. . You can choose the most popular free handoff gifs to your phone or computer. Handoff lets you transfer your activities between iphone, ipad, apple watch, ipod touch, and mac. With handoff, you can move back and forth between your apple devices. Share a gif and browse these related gif searches. The best gifs are on giphy. Show off your favorite photos and videos to the world, securely and privately show content to your el gif animado de anime city town perfecto para tus conversaciones. Animated images on a transparent and opaque gif animation downloads for a chemical site. The best gifs are on giphy. @moderator, нужен тег gif и убрать тег моё, это не работы тс. Premium stock photo of relay baton handoff. Top 30 4 100 Metres Relay Sport Gifs Find The Best Gif On Gfycat fro...
Ufc 261 Results / UFC 261 odds: Anthony Smith vs. Jimmy Crute prediction ... - Sherdog's live ufc 261 coverage will begin saturday at 6 p.m. . The ufc welcomed fans back to the octagon with a bang after a couple of sizzling kos lit up the early stages of a blockbuster card. Mma fighting has ufc 261 results for the usman vs. Ufc 261 started on a violent note as the early prelims were bookended by two nasty tkos. Sherdog's live ufc 261 coverage will begin saturday at 6 p.m. Anthony smith (206) vs jimmy crute (205.5). Ufc 261 results, updates, highlights: Tapology members can make predictions for upcoming mma & boxing fights. Full results of the ufc 261: It was a quick and efficient session, with all 26 athletes making weight in a total of 50 minutes. What time is ufc 261: UFC 261 results: Usman vs. Masvidal 2 | FightBook MMA from i2.wp.com ...
Cara Plating Udang Goreng Mayonais : kumpulan masakan seafood spesial : Cara membuat udang goreng tepung di rumah membutuhkan sedikit keterampilan dalam mengolah. . Semoga bermanfaat dan selamat berkreasi! Langkah lumuri udang dgn bahan celupan, goreng, angkat,tiriskan campur bahan mayonaise, siram ke udang goreng, aduk rata Sebuah kombinasi yang nikmat antara manisnya hidangan laut segar dan lapisan tepung goreng yang renyah, asin dan gurih. Udang goreng saus mayonnaise, salah satu menu yang banyak digemari di restaurant masakan cina. Udang goreng mayonaise adalah salah satu menu yang banyak digemari direstaurant cina dan udang goreng mayonaise bisa ditambahkan potongan buah buahan kedalam campuran. Udang goreng mayonaise merupakan olahan udang yang dibuat denan cara digoreng tetapi untuk penyajiannya di sajikan dengan saus mayonaise sehingga menambah kenikmatan tersendiri. Semuanya enak dinikmati dengan mayonaise. Tidak ada yang bisa mengalahkan nikmatnya udang gor...
Komentar
Posting Komentar