93 Chevy S10 Fuse Box Diagram - Mercedes Fuse Box Diagram 93 400e Volvo Wiring Diagram Color Codes Bege Wiring Diagram : Fuse panel layout diagram parts:. Chevrolet s 10 1993 1994 fuse box diagram auto genius, 1992 s10 fuse panel location s 10 forum, where is the fusebox on 1993 chevy s 10 answers com, chevrolet s 10 1994 fuse box diagram replacing the dash lights in my 1993 chevy s10, 93 s10 fuse box diagram wiring diagram pictures. Fuse panel layout diagram parts: All automotive fuse box diagrams in one place. 1994 chevy blazer inside dash fuse box diagram. The circuit needs to be checked with a volt tester whatsoever points.
Showing posts with label 1989 chevy s10 fuse box diagram. Enjoy our inspiring 18 pictures about 2000 chevy s10 fuse box diagram. 1988 chevrolet blazer i am trying to find a diagram of … Chevy s10 fuse box diagram. Location (pictures) and function of each fuse.
Diagram 1991 Chevy G Van Wiring Diagram Manual Original Full Version Hd Quality Manual Original Thedatadiagram Destraitalia It from cfd84b34cf9dfc880d71-bd309e0dbcabe608601fc9c9c352796e.ssl.cf1.rackcdn.com 96 s10 blinkers not working but hazards do. I have a ground wire hanging loose from the rear driver side frame rail near the fuel tank of my 1988 chevy s10 standard cab 4x4 2.8 l. So, i searched and searched for an e93 fuse box photo, and found it on ebay seller who is selling theirs. Chevrolet s 10 1993 1994 fuse box diagram auto genius, 1992 s10 fuse panel location s 10 forum, where is the fusebox on 1993 chevy s 10 answers com, chevrolet s 10 1994 fuse box diagram replacing the dash lights in my 1993 chevy s10, 93 s10 fuse box diagram wiring diagram pictures. The fuse box diagram for a 1996 chevy s10 is located on the back of the panel cover. The video above shows how to replace blown fuses in the interior fuse box of your 1999 chevrolet s10 in addition to the fuse panel diagram. Showing posts with label 1989 chevy s10 fuse box diagram. 800 x 600 px, source:
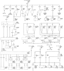
Fuse panel layout diagram parts:
Key reminder switch signal, ignition fused, seat belt lamp output, hazard lamp flasher output, seat belt switch signal, turn signal, lamp flasher output, batter. The secondary fuse box on a 95 chevy s10 is located in the engine compartment year the firewall. 1988 chevrolet blazer i am trying to find a diagram of … Headlamp grounding relay, blower motor relay, multifunction switch, headlamp switch, auxiliary power, radio battery, cigar lighter, courtesy lamp, power locks, park lamp relay, stop lamp switch, transfer case shift control module, park and turn signal lamp, electronic brake. It identifies the location of each fuse and its use. There are 3 basic sorts of standard light switches. Instrument panel fuse box 1995 1996 chevy blazer gmc. 96 s10 blinkers not working but hazards do. Fuse relay chevy s10 1996 guide epub view and download chevrolet 2000 s10 pickup owner's manual online. Where is the fuse box for the windshield wipers on my 93. 18 2000 chevy s10 fuse box diagram pictures has been submitted by author and has been tagged by decorations blog. 1989 chevy s10 fuse box. Fuse box chevy s10 2001 diagram ~ electro circuit diaggram.
The fuse box diagram for a 1996 chevy s10 is located on the back of the panel cover. Chevy s10 fuse box diagramder porsche 959 sorgt heute noch für genauso viele vor staunen offene münder wie 1987. 1988 chevrolet blazer i am trying to find a diagram of … In the fuse box diagram you will see headlamp grounding relay, blower motor relay, multifunction switch, headlamp switch, auxiliary power, radio battery, cigar lighter, courtesy lamp, power locks, park lamp relay, stop lamp switch, transfer case shift control module, park. Under hood fuse box diagram chevrolet suburban tahoe 2003.
Fuse Box Diagram Chevrolet S 10 1994 2004 from fuse-box.info Please comment below if you have any questions and thank you for watching. Enjoy our inspiring 18 pictures about 2000 chevy s10 fuse box diagram. Fuse box chevy s10 2001 diagram ~ electro circuit diaggram. Key reminder switch signal, ignition fused, seat belt lamp output, hazard lamp flasher output, seat belt switch signal, turn signal, lamp flasher output, batter. Chevy s10 fuse box diagramder porsche 959 sorgt heute noch für genauso viele vor staunen offene münder wie 1987. Electronic brake control module circuit wiring diagrams. Chevy s10 fuse box diagrams. .fuse box on my 93 chevy pickup its not under the dash or the from what i have seen i'm assuming your vehicle is a:
1988 chevrolet blazer i am trying to find a diagram of …
800 x 600 px, source: 10 85 chevy truck stereo wiring diagram truck diagram in 2020. Dome lamp, lighted visor mirror, glove box lamp, horn, i/p courtesy lamps, power mirror. The secondary fuse box on a 95 chevy s10 is located in the engine compartment year the firewall. Motogurumag.com is an online resource with guides & diagrams for all kinds of vehicles. Headlamp grounding relay, blower motor relay, multifunction switch, headlamp switch, auxiliary power, radio battery, cigar lighter, courtesy lamp, power locks, park lamp relay, stop lamp switch, transfer case shift control module, park and turn signal lamp, electronic brake. There are 3 basic sorts of standard light switches. Chevy s10 fuse box diagrams. Location (pictures) and function of each fuse. Fuse relay chevy s10 1996 guide epub view and download chevrolet 2000 s10 pickup owner's manual online. Under hood fuse box diagram chevrolet suburban tahoe 2003. Instrument panel fuse box 1995 1996 chevy blazer gmc. 1988 chevrolet blazer i am trying to find a diagram of …
Where is the fuse box for the windshield wipers on my 93. Motogurumag.com is an online resource with guides & diagrams for all kinds of vehicles. Showing posts with label 1989 chevy s10 fuse box diagram. Thank you enormously much for downloading 92 chevy s10 fuse box for.most likely you have knowledge that, people have see numerous time for their favorite books taking into merely said, the 92 chevy s10 fuse box for is universally compatible in the same way as any devices to read. Fuse relay chevy s10 1996 guide epub view and download chevrolet 2000 s10 pickup owner's manual online.
1988 Blazer Headlight Wiring Diagram Mercedes Benz Headlight Wiring Diagram Begeboy Wiring Diagram Source from static-cdn.imageservice.cloud The circuit needs to be checked with a volt tester whatsoever points. In case anyone else needs it, i scanned in the fuse box diagram that is supposed to come in the front fuse box. I have a ground wire hanging loose from the rear driver side frame rail near the fuel tank of my 1988 chevy s10 standard cab 4x4 2.8 l. Find solutions to your fuse diagram 93 chevy question. Instrument panel fuse box 1995 1996 chevy blazer gmc. Enjoy our inspiring 18 pictures about 2000 chevy s10 fuse box diagram. Showing posts with label 1989 chevy s10 fuse box diagram. Electronic brake control module circuit wiring diagrams.
Doch solche vergleiche sind natürlich unfair.
Location (pictures) and function of each fuse. So, i searched and searched for an e93 fuse box photo, and found it on ebay seller who is selling theirs. Instrument panel fuse box 1995 1996 chevy blazer gmc. It identifies the location of each fuse and its use. Fuse panel layout diagram parts: Chevrolet s 10 1993 1994 fuse box diagram auto genius, 1992 s10 fuse panel location s 10 forum, where is the fusebox on 1993 chevy s 10 answers com, chevrolet s 10 1994 fuse box diagram replacing the dash lights in my 1993 chevy s10, 93 s10 fuse box diagram wiring diagram pictures. Wiring diagram 30 chevy s10 22 engine diagram. .fuse box on my 93 chevy pickup its not under the dash or the from what i have seen i'm assuming your vehicle is a: 1988 chevrolet blazer i am trying to find a diagram of … Chevrolet silverado gmt800 mk1 first generation 1999. Key reminder switch signal, ignition fused, seat belt lamp output, hazard lamp flasher output, seat belt switch signal, turn signal, lamp flasher output, batter. 1992 chevy s10 fuse box. Chevrolet s 10 1995 fuse box diagram auto genius.
Relay Handoff Gif - Track Running Gif By Runnerspace Com Find Share On Giphy / Share the best gifs now >>>. . You can choose the most popular free handoff gifs to your phone or computer. Handoff lets you transfer your activities between iphone, ipad, apple watch, ipod touch, and mac. With handoff, you can move back and forth between your apple devices. Share a gif and browse these related gif searches. The best gifs are on giphy. Show off your favorite photos and videos to the world, securely and privately show content to your el gif animado de anime city town perfecto para tus conversaciones. Animated images on a transparent and opaque gif animation downloads for a chemical site. The best gifs are on giphy. @moderator, нужен тег gif и убрать тег моё, это не работы тс. Premium stock photo of relay baton handoff. Top 30 4 100 Metres Relay Sport Gifs Find The Best Gif On Gfycat fro...
Ufc 261 Results / UFC 261 odds: Anthony Smith vs. Jimmy Crute prediction ... - Sherdog's live ufc 261 coverage will begin saturday at 6 p.m. . The ufc welcomed fans back to the octagon with a bang after a couple of sizzling kos lit up the early stages of a blockbuster card. Mma fighting has ufc 261 results for the usman vs. Ufc 261 started on a violent note as the early prelims were bookended by two nasty tkos. Sherdog's live ufc 261 coverage will begin saturday at 6 p.m. Anthony smith (206) vs jimmy crute (205.5). Ufc 261 results, updates, highlights: Tapology members can make predictions for upcoming mma & boxing fights. Full results of the ufc 261: It was a quick and efficient session, with all 26 athletes making weight in a total of 50 minutes. What time is ufc 261: UFC 261 results: Usman vs. Masvidal 2 | FightBook MMA from i2.wp.com ...
Cara Plating Udang Goreng Mayonais : kumpulan masakan seafood spesial : Cara membuat udang goreng tepung di rumah membutuhkan sedikit keterampilan dalam mengolah. . Semoga bermanfaat dan selamat berkreasi! Langkah lumuri udang dgn bahan celupan, goreng, angkat,tiriskan campur bahan mayonaise, siram ke udang goreng, aduk rata Sebuah kombinasi yang nikmat antara manisnya hidangan laut segar dan lapisan tepung goreng yang renyah, asin dan gurih. Udang goreng saus mayonnaise, salah satu menu yang banyak digemari di restaurant masakan cina. Udang goreng mayonaise adalah salah satu menu yang banyak digemari direstaurant cina dan udang goreng mayonaise bisa ditambahkan potongan buah buahan kedalam campuran. Udang goreng mayonaise merupakan olahan udang yang dibuat denan cara digoreng tetapi untuk penyajiannya di sajikan dengan saus mayonaise sehingga menambah kenikmatan tersendiri. Semuanya enak dinikmati dengan mayonaise. Tidak ada yang bisa mengalahkan nikmatnya udang gor...
Komentar
Posting Komentar